LC40B-KM01 Series User's Manual
Belt-driven T-slot linear guides with built-in controller stepper motors

Disclaimer
Zaber’s products are not intended for use in any critical medical, aviation, or military applications or situations where a product's use or failure could cause personal injury, death, or damage to property. Zaber disclaims any warranty of fitness for a particular purpose. The user of this product agrees to Zaber's general terms and conditions of sale.
Precautions
Pinch Hazard: Keep hands away from the moving carriage. Use caution when mounting components near the path of the carriage; they may create unexpected pinch hazards.
Backdriving: If motor power is suddenly lost, vertical loads may quickly fall and high inertial loads may fail to stop. This can cause personal injury in addition to damaging the load, the device, and electronics. It is strongly recommended that a power-off brake is used for all vertical configurations.
Dynamic Stops: The power-off brake is intended to prevent damage and maintain the position of a static load in the event of a power loss. Precautions should be taken to avoid dynamic braking when possible, as this may reduce brake lifetime.
Space Constraints: Plastic covers on the power-off brake stick outside the motor form factor and may be removed when space is limited, but should remain attached otherwise.
Dust Generation: Brake pads may generate small amounts of dust particulate over their lifetime of use.
Important: Mounting large objects to the carriage or using this component in a multi-axis system may create new or unexpected risks. Always perform a risk analysis for your complete system in its operating environment.
Caution: The motor in this device can exceed 60° C during normal operation and become hot enough to cause burns. Take precautions to prevent contact with the motor.
Noise Emissions
The A-weighted emission sound pressure level (SPL) of this device does not exceed 70 dB(A) during intended use.
The A-weighted emission sound pressure level (SPL) of this device may reach up to 81 dB(A) if the stage is stalled.
Device Overview
Motor Options
The LC40B series of belt-driven linear guides can be paired with Zaber motor kits.
KM01
Motor kit KM01 has an integrated controller for single axis control and includes:
- X-NMS23-E08P1 motor with integrated controller and encoder
- AC183 pulley coupling
- AP187 home sensor mount
KM01B
Motor kit KM01B has an integrated controller with a power-off brake for single axis control and includes:
- X-NMS23-BE08P1 motor with integrated controller, encoder, and power-off brake
- AC183 pulley coupling
- AP187 home sensor mount
KM02
Motor kit KM02 is intended for use with a external Zaber controller and includes:
- NMS23-E08P1T3A motor with an encoder
- AC183 pulley coupling
- AP187 home sensor mount
KM02B
Motor kit KM02B is intended for use with a external Zaber controller and includes:
- NMS23-BE08P1T10A motor with an encoder and power-off brake
- AC183 pulley coupling
- AP187 home sensor mount
Third Party Motors
In addition to Zaber motors, any NEMA 23 frame size motor can be mounted to either side of the pulley drive. NEMA 17 frame size motors may be mounted using the AP192 motor adaptor. Make sure to match the motor shaft diameter to the appropriate pulley coupling diameter:
- AC183 pulley coupling for 8 mm shaft
- AC184 pulley coupling for 6.35 mm shaft
- AC185 pulley coupling for 5 mm shaft
Communication and Control
Refer to the X-NMS-E user manual for detailed information about the X-NMS23-(B)E08P1 Zaber motors and how to control them.
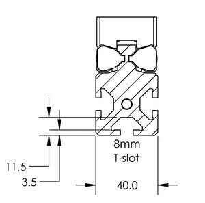
T-Slot Compatibility
The LC40 linear guide system is designed to be compatible with most common 40 mm T-slot extrusion framing systems. The two main requirements for compatibility are a 40 mm square profile width and an 8 mm slot width. While we have not exhaustively tested all systems and components, the following framing systems meet this basic compatibility requirements:
- 80/20 40 Series
- McMaster Carr 40 mm
- Parker-Hannifin 40 Series
- item Profile 8
- Parco 40 Series
- TSLOTS T40

Beam Properties
The LC40 linear guide is intended to also function as a structural member, similar to other aluminum extrusion framing systems.
- Material: 6063-T65 anodized aluminum extrusion
- Straightness Tolerance: 0.7 mm/m
- Yield Strength: 230 MPa
- Modulus of Elasticity: 68900 MPa
- Mass per Length: 2.35 kg/m
- Flexural Rigidity (EI): 13300 Nm²
Installation and Setup
Required Tools
- 2 mm hex key
- 3 mm hex key
- 5 mm hex key
Motor Kit Installation
Note: X-NMS23-E08P1 motor is shown in the images below. The instructions are applicable for both X-NMS23-(B)E08P1 (motor with integrated controller) and NMS23-(B)E08P1T3A (motor without controller).
- Mount the clamping pulley coupling (AC183) flush to the end of the motor shaft. Tighten the coupling to the motor shaft using a 2 mm hex key.
- Insert the motor with coupling into the pulley bore of the LC40B linear guide. The motor can mount to either end of the guide and on either side, and the motor housing may point in any direction. The plastic covers over the pulley bore can be pried out with a 3 mm hex key. Secure the motor with M4 fasteners and 3 mm hex key.
- Fasten the home sensor (included with motor) to the AP187 bracket using a 2 mm hex key.
Important: The raised dot on the sensor should seat into the AP187 bracket. - Install an M6 T-nut into the side of the LC40B linear guide and attach the AP187 bracket with home sensor. The home sensor may be mounted to either side of the LC40B, but for easy wire routing it is recommended to mount it on the same side as the motor with the cable pointing away from the motor.
- Fasten the AP187 bracket to the T-nut using an M6 fastener and 5 mm hex key.
- Set the home sensor position to approximately 67 mm from the end of the extrusion. The carriage home position should be approximately 5 mm ahead of the travel hard limit.
If the home sensor is too close to the end of travel, the carriage may crash while homing.
Please use the LC40 Setup Application within Zaber Launcher to help configure the LC40B.
The motor controller can also be set up manually via the following steps if you choose not to use the LC40 Setup Application:
- If your drive kit is installed in a right-hand orientation, it will function right away. If the drive is installed in a left-handed orientation, the travel direction will need to be reversed in the controller settings. These commands can be executed with the following commands sent through the terminal in Zaber Launcher:
- set system.access 2
- set driver.dir 0
- set encoder.dir 1
- set system.access 1
- Set the maximum travel setting (limit.max) to match the physical travel of the device. When the stage only has one carriage, the travel in mm can be found from the 4 digits following LC40B on the product part number. When the stage has multiple carriages, the travel will need to be calculated manually based on the number of additional carriages, as well as the total spacing between the carriages.
- For example, part number 'LC40B1250' has a travel of 1250 mm. This travel should be multiplied by 142.222 to convert it to microsteps (rounded to an integer) and sent through the terminal as the command "set limit.max 177777"
- For part number 'LC40B1250-N2', with carriages spaced 80 mm apart, the maximum travel will be 1250 - 1 x (70 mm) - 80 mm = 1100 mm. This travel should be multiplied by 142.222 to convert it to microsteps (rounded to an integer) and sent through the terminal as the command "set limit.max 156444"
Setting the Maximum Travel Limit
With default settings, the motor controller will be unaware of the maximum travel and will hit the hard limit if commanded to move beyond it. The maximum device travel can be set using the limit.max setting through Zaber Console.
The recommended maximum travel in mm of LC40B products with single carriage can be found from the 4 digits in the product code which is also printed on the product label.
The maximum travel in mm of LC40B with multiple carriages is based on the 4 digit in the product code and product label, subtracted by the total length of the additional carriage and carriage spacing.
For example:
- LC40B1000-N2 with two carriages with 80mm spacing between the carriages will have a travel of: 1000 - (70 + 80) = 850 mm.
- LC40B1000-N2 with two carriages with 130mm spacing between the carriages will have a travel of: 1000 - (70 + 130) = 800 mm.
For further information on commands and settings, refer to the X-NMS-E or NMS-E user manual.
Recommended Support
This table gives the recommended maximum unsupported span for any LC40 device. These recommendations are based on a maximum beam deflection of 0.1 mm under its own weight. For certain applications more or less support may be warranted.
LC40 stages can be mounted to most 40 mm or 4040 T-slot extrusion framing systems or to a metric breadboard (using AB188 or AP191 accessories). For unsupported spans, bracing (AP244 or similar) can be added.
| Load (kg) | Maximum Span Between Supports (m) |
|---|---|
| 0 | 1.4 |
| 1 | 1.3 |
| 2 | 1.1 |
| 5 | 0.9 |
| 10 | 0.8 |
| 20 | 0.6 |
| 50 | 0.5 |
For spaced supports, supporting points should have a small contact surface, approximately 40 mm by 40 mm. For applications with more than 2 supports, ensure that all supporting surfaces share a common plane with less than 1 mm of deviation per m of separation and always fasten supports starting at the middle, working outwards.
Straightness of motion will depend on the location and orientation of supporting surfaces and installation procedure. If very low runout is required, pay careful attention to the coplanarity of support structures and measure and adjust for any horizontal deviation. A single continuous surface such as a surface plate or optical table with a reference edge can achieve better runout than spaced supports, but the degree will depend on the flatness of the surface and straightness of the reference edge.
Maintenance
Many factors affect the lifetime of the grease and bearings including duty cycle, environment, travel length, stage orientation, and loading configuration. As a general guideline for usage in a clean office environment, the recommended re-lubrication interval is 250 km with an inspection after every 1500 hours of continuous operation. Inspection should be done by wiping a bearing rail with a clean, lint-free wipe and ensuring that there is clean, wetted grease present.
Harsh environment, short travel, vertically oriented, and high duty cycle applications require more frequent re-lubrication and inspection. Contact an Applications Engineer to discuss your application for more specific recommendations.
Short travel can cause an insufficient distribution of lubricant amongst the rolling elements of the bearing system. For recirculating bearing guide types, short travel is equal to or less than the length of the carriage. For crossed-roller bearing guide types, short travel is equal to or less than twice the spacing of the rolling elements (typically 5-6 mm). If your application is considered short travel, it is recommended to occasionally drive the stage throughout its full travel range to maintain an even lubrication film over the entire guide surface. More frequent re-lubrication and inspection may be required in these applications.
Contact Zaber support for relubrication kit SG133. We recommend using Shell Gadus S2 V220 2 or similar lithium thickened petroleum grease.
Relubrication Procedure
Contact Zaber support for relubrication kit SG133.
-
Insert angled syringe tip into grease hole in bearing end cap. Move the carriage about 50 mm while squeezing approximately 0.2 mL of grease from the syringe. Repeat for all four end caps. Cycle the carriage through the full range of travel.
Heavy Loads
Horizontal Operation
Loads exceeding 2.5 kg can generate significant inertial force and will require special considerations. Exceeding the thrust capability of the motor and controller with these loads can cause motor failure at high speeds resulting in mechanical damage to the device. It is strongly recommended to limit the kinetic energy of payloads over 2.5 kg, in addition to operating below the maximum speed (maxspeed) and acceleration(accel). The table below gives recommended maximum settings.
| Load (kg) | Maximum Acceleration Magnitude (m/s²) | Maximum Speed (m/s) |
|---|---|---|
| 2.5 | 8.0 | 1.9 |
| 5.0 | 4.8 | 1.3 |
| 10.0 | 3.2 | 0.9 |
| 20.0 | 2.0 | 0.7 |
| 50.0 | 1.0 | 0.4 |
Homing Settings
For payloads greater than 10 kg, the homing speed (limit.approach.maxspeed) and homing deceleration (limit.detect.decelonly) should be reduced from their default values to ensure the device can complete its homing routine without stalling or crashing.
Note: Modifying these settings requires elevated system.access
| Load (kg) | Recommended Homing Deceleration (m/s²) | Recommended Homing Speed (m/s) | Equivalent limit.detect.decelonly setting | Equivalent limit.approach.maxspeed setting |
|---|---|---|---|---|
| 10.0 | 3.2 | 0.159 | 74 | 37074 |
| 20.0 | 2.0 | 0.125 | 46 | 29256 |
| 50.0 | 1.0 | 0.089 | 23 | 20677 |
Warranty and Repair
For Zaber's policies on warranty and repair, please refer to the Ordering Policies.
Standard products
Standard products are any part numbers that do not contain the suffix ENG followed by a 4 digit number. Most, but not all, standard products are listed for sale on our website. All standard Zaber products are backed by a one-month satisfaction guarantee. If you are not satisfied with your purchase, we will refund your payment minus any shipping charges. Goods must be in brand new saleable condition with no marks. Zaber products are guaranteed for one year. During this period Zaber will repair any products with faults due to manufacturing defects, free of charge.
Custom products
Custom products are any part numbers containing the suffix ENG followed by a 4 digit number. Each of these products has been designed for a custom application for a particular customer. Custom products are guaranteed for one year, unless explicitly stated otherwise. During this period Zaber will repair any products with faults due to manufacturing defects, free of charge.
How to return products
Customers with devices in need of return or repair should contact Zaber to obtain an RMA form which must be filled out and sent back to us to receive an RMA number. The RMA form contains instructions for packing and returning the device. The specified RMA number must be included on the shipment to ensure timely processing.
Email Updates
If you would like to receive our periodic email newsletter including product updates and promotions.
Contact Information
Contact Zaber Technologies Inc by any of the following methods:
| Phone | 1-604-569-3780 (direct) 1-888-276-8033 (toll free in North America) |
|---|---|
| Fax | 1-604-648-8033 |
| #2 - 605 West Kent Ave. N., Vancouver, British Columbia, Canada, V6P 6T7 | |
| Web | www.zaber.com |
| Please visit our website for up to date email contact information. |
The original instructions for this product are available at https://www.zaber.com/manuals/LC40B-KM01.
Product Drawing

Specifications
| Specification | Value | Alternate Unit |
|---|---|---|
| Microstep Size (Default Resolution) | 7.03125 µm | |
| Built-in Controller | X-NMS-E included | |
| Accuracy (unidirectional) | (175 + 0.75 * T) µm (T is travel range in mm) µm | |
| Repeatability | < 20 µm | < 0.000787" |
| Backlash | < 250 µm | < 0.009842" |
| Maximum Speed | 3000 mm/s | 118.110"/s |
| Encoder Resolution | 400 CPR | 1600 states/rev |
| Encoder Type | Rotary quadrature encoder | |
| Peak Thrust | 90 N | 20.2 lb |
| Maximum Moment (Roll) | 6 N⋅m | 4.4 ft⋅lb |
| Maximum Moment (Pitch) | 7 N⋅m | 5.2 ft⋅lb |
| Maximum Moment (Yaw) | 7 N⋅m | 5.2 ft⋅lb |
| Guide Type | Recirculating Ball Linear Guide | |
| Maximum Current Draw | 3500 mA | |
| Linear Motion Per Motor Rev | 90 mm | 3.543" |
| Motor Type | Stepper (2 phase) | |
| Motor Rated Current | 3000 mA/phase | |
| Motor Frame Size | NEMA 23 | |
| Mechanical Drive System | Synchronous belt | |
| Limit or Home Sensing | Magnetic home sensor, optional away sensor | |
| Axes of Motion | 1 | |
| Operating Temperature Range | 0 to 50 °C | |
| CE Compliant | Yes | |
| Vacuum Compatible | No |
Comparison
| Part Number | Travel Range | Maximum Centered Load | Stiffness in Pitch | Stiffness in Roll |
|---|---|---|---|---|
| LC40B0100-KM01 | 100 mm (3.937") | 500 N (112.1 lb) | 180 N⋅m/° (97 µrad/N⋅m) | 24 N⋅m/° (727 µrad/N⋅m) |
| LC40B0100-KM01B | 100 mm (3.937") | 500 N (112.1 lb) | 180 N⋅m/° (97 µrad/N⋅m) | 24 N⋅m/° (727 µrad/N⋅m) |
| LC40B0100-N2-KM01 | 30 mm (1.181") | 1000 N (224.3 lb) | ||
| LC40B0100-N2-KM01B | 30 mm (1.181") | 1000 N (224.3 lb) | ||
| LC40B0150-KM01 | 150 mm (5.905") | 500 N (112.1 lb) | 180 N⋅m/° (97 µrad/N⋅m) | 24 N⋅m/° (727 µrad/N⋅m) |
| LC40B0150-KM01B | 150 mm (5.905") | 500 N (112.1 lb) | 180 N⋅m/° (97 µrad/N⋅m) | 24 N⋅m/° (727 µrad/N⋅m) |
| LC40B0150-N2-KM01 | 80 mm (3.150") | 1000 N (224.3 lb) | ||
| LC40B0150-N2-KM01B | 80 mm (3.150") | 1000 N (224.3 lb) | ||
| LC40B0200-KM01 | 200 mm (7.874") | 500 N (112.1 lb) | 180 N⋅m/° (97 µrad/N⋅m) | 24 N⋅m/° (727 µrad/N⋅m) |
| LC40B0200-KM01B | 200 mm (7.874") | 500 N (112.1 lb) | 180 N⋅m/° (97 µrad/N⋅m) | 24 N⋅m/° (727 µrad/N⋅m) |
| LC40B0200-N2-KM01 | 130 mm (5.118") | 1000 N (224.3 lb) | ||
| LC40B0200-N2-KM01B | 130 mm (5.118") | 1000 N (224.3 lb) | ||
| LC40B0250-KM01 | 250 mm (9.843") | 500 N (112.1 lb) | 180 N⋅m/° (97 µrad/N⋅m) | 24 N⋅m/° (727 µrad/N⋅m) |
| LC40B0250-KM01B | 250 mm (9.843") | 500 N (112.1 lb) | 180 N⋅m/° (97 µrad/N⋅m) | 24 N⋅m/° (727 µrad/N⋅m) |
| LC40B0250-N2-KM01 | 180 mm (7.087") | 1000 N (224.3 lb) | ||
| LC40B0250-N2-KM01B | 180 mm (7.087") | 1000 N (224.3 lb) | ||
| LC40B0300-KM01 | 300 mm (11.811") | 500 N (112.1 lb) | 180 N⋅m/° (97 µrad/N⋅m) | 24 N⋅m/° (727 µrad/N⋅m) |
| LC40B0300-KM01B | 300 mm (11.811") | 500 N (112.1 lb) | 180 N⋅m/° (97 µrad/N⋅m) | 24 N⋅m/° (727 µrad/N⋅m) |
| LC40B0300-N2-KM01 | 230 mm (9.055") | 1000 N (224.3 lb) | ||
| LC40B0300-N2-KM01B | 230 mm (9.055") | 1000 N (224.3 lb) | ||
| LC40B0350-KM01 | 350 mm (13.780") | 500 N (112.1 lb) | 180 N⋅m/° (97 µrad/N⋅m) | 24 N⋅m/° (727 µrad/N⋅m) |
| LC40B0350-KM01B | 350 mm (13.780") | 500 N (112.1 lb) | 180 N⋅m/° (97 µrad/N⋅m) | 24 N⋅m/° (727 µrad/N⋅m) |
| LC40B0350-N2-KM01 | 280 mm (11.024") | 1000 N (224.3 lb) | ||
| LC40B0350-N2-KM01B | 280 mm (11.024") | 1000 N (224.3 lb) | ||
| LC40B0400-KM01 | 400 mm (15.748") | 500 N (112.1 lb) | 180 N⋅m/° (97 µrad/N⋅m) | 24 N⋅m/° (727 µrad/N⋅m) |
| LC40B0400-KM01B | 400 mm (15.748") | 500 N (112.1 lb) | 180 N⋅m/° (97 µrad/N⋅m) | 24 N⋅m/° (727 µrad/N⋅m) |
| LC40B0400-N2-KM01 | 330 mm (12.992") | 1000 N (224.3 lb) | ||
| LC40B0400-N2-KM01B | 330 mm (12.992") | 1000 N (224.3 lb) | ||
| LC40B0450-KM01 | 450 mm (17.716") | 500 N (112.1 lb) | 180 N⋅m/° (97 µrad/N⋅m) | 24 N⋅m/° (727 µrad/N⋅m) |
| LC40B0450-KM01B | 450 mm (17.716") | 500 N (112.1 lb) | 180 N⋅m/° (97 µrad/N⋅m) | 24 N⋅m/° (727 µrad/N⋅m) |
| LC40B0450-N2-KM01 | 380 mm (14.961") | 1000 N (224.3 lb) | ||
| LC40B0450-N2-KM01B | 380 mm (14.961") | 1000 N (224.3 lb) | ||
| LC40B0500-KM01 | 500 mm (19.685") | 500 N (112.1 lb) | 180 N⋅m/° (97 µrad/N⋅m) | 24 N⋅m/° (727 µrad/N⋅m) |
| LC40B0500-KM01B | 500 mm (19.685") | 500 N (112.1 lb) | 180 N⋅m/° (97 µrad/N⋅m) | 24 N⋅m/° (727 µrad/N⋅m) |
| LC40B0500-N2-KM01 | 430 mm (16.929") | 1000 N (224.3 lb) | ||
| LC40B0500-N2-KM01B | 430 mm (16.929") | 1000 N (224.3 lb) | ||
| LC40B0550-KM01 | 550 mm (21.654") | 500 N (112.1 lb) | 180 N⋅m/° (97 µrad/N⋅m) | 24 N⋅m/° (727 µrad/N⋅m) |
| LC40B0550-KM01B | 550 mm (21.654") | 500 N (112.1 lb) | 180 N⋅m/° (97 µrad/N⋅m) | 24 N⋅m/° (727 µrad/N⋅m) |
| LC40B0550-N2-KM01 | 480 mm (18.898") | 1000 N (224.3 lb) | ||
| LC40B0550-N2-KM01B | 480 mm (18.898") | 1000 N (224.3 lb) | ||
| LC40B0600-KM01 | 600 mm (23.622") | 500 N (112.1 lb) | 180 N⋅m/° (97 µrad/N⋅m) | 24 N⋅m/° (727 µrad/N⋅m) |
| LC40B0600-KM01B | 600 mm (23.622") | 500 N (112.1 lb) | 180 N⋅m/° (97 µrad/N⋅m) | 24 N⋅m/° (727 µrad/N⋅m) |
| LC40B0600-N2-KM01 | 530 mm (20.866") | 1000 N (224.3 lb) | ||
| LC40B0600-N2-KM01B | 530 mm (20.866") | 1000 N (224.3 lb) | ||
| LC40B0650-KM01 | 650 mm (25.591") | 500 N (112.1 lb) | 180 N⋅m/° (97 µrad/N⋅m) | 24 N⋅m/° (727 µrad/N⋅m) |
| LC40B0650-KM01B | 650 mm (25.591") | 500 N (112.1 lb) | 180 N⋅m/° (97 µrad/N⋅m) | 24 N⋅m/° (727 µrad/N⋅m) |
| LC40B0650-N2-KM01 | 580 mm (22.835") | 1000 N (224.3 lb) | ||
| LC40B0650-N2-KM01B | 580 mm (22.835") | 1000 N (224.3 lb) | ||
| LC40B0700-KM01 | 700 mm (27.559") | 500 N (112.1 lb) | 180 N⋅m/° (97 µrad/N⋅m) | 24 N⋅m/° (727 µrad/N⋅m) |
| LC40B0700-KM01B | 700 mm (27.559") | 500 N (112.1 lb) | 180 N⋅m/° (97 µrad/N⋅m) | 24 N⋅m/° (727 µrad/N⋅m) |
| LC40B0700-N2-KM01 | 630 mm (24.803") | 1000 N (224.3 lb) | ||
| LC40B0700-N2-KM01B | 630 mm (24.803") | 1000 N (224.3 lb) | ||
| LC40B0750-KM01 | 750 mm (29.528") | 500 N (112.1 lb) | 180 N⋅m/° (97 µrad/N⋅m) | 24 N⋅m/° (727 µrad/N⋅m) |
| LC40B0750-KM01B | 750 mm (29.528") | 500 N (112.1 lb) | 180 N⋅m/° (97 µrad/N⋅m) | 24 N⋅m/° (727 µrad/N⋅m) |
| LC40B0750-N2-KM01 | 680 mm (26.772") | 1000 N (224.3 lb) | ||
| LC40B0750-N2-KM01B | 680 mm (26.772") | 1000 N (224.3 lb) | ||
| LC40B0800-KM01 | 800 mm (31.496") | 500 N (112.1 lb) | 180 N⋅m/° (97 µrad/N⋅m) | 24 N⋅m/° (727 µrad/N⋅m) |
| LC40B0800-KM01B | 800 mm (31.496") | 500 N (112.1 lb) | 180 N⋅m/° (97 µrad/N⋅m) | 24 N⋅m/° (727 µrad/N⋅m) |
| LC40B0800-N2-KM01 | 730 mm (28.740") | 1000 N (224.3 lb) | ||
| LC40B0800-N2-KM01B | 730 mm (28.740") | 1000 N (224.3 lb) | ||
| LC40B0850-KM01 | 850 mm (33.465") | 500 N (112.1 lb) | 180 N⋅m/° (97 µrad/N⋅m) | 24 N⋅m/° (727 µrad/N⋅m) |
| LC40B0850-KM01B | 850 mm (33.465") | 500 N (112.1 lb) | 180 N⋅m/° (97 µrad/N⋅m) | 24 N⋅m/° (727 µrad/N⋅m) |
| LC40B0850-N2-KM01 | 780 mm (30.709") | 1000 N (224.3 lb) | ||
| LC40B0850-N2-KM01B | 780 mm (30.709") | 1000 N (224.3 lb) | ||
| LC40B0900-KM01 | 900 mm (35.433") | 500 N (112.1 lb) | 180 N⋅m/° (97 µrad/N⋅m) | 24 N⋅m/° (727 µrad/N⋅m) |
| LC40B0900-KM01B | 900 mm (35.433") | 500 N (112.1 lb) | 180 N⋅m/° (97 µrad/N⋅m) | 24 N⋅m/° (727 µrad/N⋅m) |
| LC40B0900-N2-KM01 | 830 mm (32.677") | 1000 N (224.3 lb) | ||
| LC40B0900-N2-KM01B | 830 mm (32.677") | 1000 N (224.3 lb) | ||
| LC40B0950-KM01 | 950 mm (37.401") | 500 N (112.1 lb) | 180 N⋅m/° (97 µrad/N⋅m) | 24 N⋅m/° (727 µrad/N⋅m) |
| LC40B0950-KM01B | 950 mm (37.401") | 500 N (112.1 lb) | 180 N⋅m/° (97 µrad/N⋅m) | 24 N⋅m/° (727 µrad/N⋅m) |
| LC40B0950-N2-KM01 | 880 mm (34.646") | 1000 N (224.3 lb) | ||
| LC40B0950-N2-KM01B | 880 mm (34.646") | 1000 N (224.3 lb) | ||
| LC40B1000-KM01 | 1000 mm (39.370") | 500 N (112.1 lb) | 180 N⋅m/° (97 µrad/N⋅m) | 24 N⋅m/° (727 µrad/N⋅m) |
| LC40B1000-KM01B | 1000 mm (39.370") | 500 N (112.1 lb) | 180 N⋅m/° (97 µrad/N⋅m) | 24 N⋅m/° (727 µrad/N⋅m) |
| LC40B1000-N2-KM01 | 930 mm (36.614") | 1000 N (224.3 lb) | ||
| LC40B1000-N2-KM01B | 930 mm (36.614") | 1000 N (224.3 lb) | ||
| LC40B1050-KM01 | 1050 mm (41.339") | 500 N (112.1 lb) | 180 N⋅m/° (97 µrad/N⋅m) | 24 N⋅m/° (727 µrad/N⋅m) |
| LC40B1050-KM01B | 1050 mm (41.339") | 500 N (112.1 lb) | 180 N⋅m/° (97 µrad/N⋅m) | 24 N⋅m/° (727 µrad/N⋅m) |
| LC40B1050-N2-KM01 | 980 mm (38.583") | 1000 N (224.3 lb) | ||
| LC40B1050-N2-KM01B | 980 mm (38.583") | 1000 N (224.3 lb) | ||
| LC40B1100-KM01 | 1100 mm (43.307") | 500 N (112.1 lb) | 180 N⋅m/° (97 µrad/N⋅m) | 24 N⋅m/° (727 µrad/N⋅m) |
| LC40B1100-KM01B | 1100 mm (43.307") | 500 N (112.1 lb) | 180 N⋅m/° (97 µrad/N⋅m) | 24 N⋅m/° (727 µrad/N⋅m) |
| LC40B1100-N2-KM01 | 1030 mm (40.551") | 1000 N (224.3 lb) | ||
| LC40B1100-N2-KM01B | 1030 mm (40.551") | 1000 N (224.3 lb) | ||
| LC40B1150-KM01 | 1150 mm (45.276") | 500 N (112.1 lb) | 180 N⋅m/° (97 µrad/N⋅m) | 24 N⋅m/° (727 µrad/N⋅m) |
| LC40B1150-KM01B | 1150 mm (45.276") | 500 N (112.1 lb) | 180 N⋅m/° (97 µrad/N⋅m) | 24 N⋅m/° (727 µrad/N⋅m) |
| LC40B1150-N2-KM01 | 1080 mm (42.520") | 1000 N (224.3 lb) | ||
| LC40B1150-N2-KM01B | 1080 mm (42.520") | 1000 N (224.3 lb) | ||
| LC40B1200-KM01 | 1200 mm (47.244") | 500 N (112.1 lb) | 180 N⋅m/° (97 µrad/N⋅m) | 24 N⋅m/° (727 µrad/N⋅m) |
| LC40B1200-KM01B | 1200 mm (47.244") | 500 N (112.1 lb) | 180 N⋅m/° (97 µrad/N⋅m) | 24 N⋅m/° (727 µrad/N⋅m) |
| LC40B1200-N2-KM01 | 1130 mm (44.488") | 1000 N (224.3 lb) | ||
| LC40B1200-N2-KM01B | 1130 mm (44.488") | 1000 N (224.3 lb) | ||
| LC40B1250-KM01 | 1250 mm (49.213") | 500 N (112.1 lb) | 180 N⋅m/° (97 µrad/N⋅m) | 24 N⋅m/° (727 µrad/N⋅m) |
| LC40B1250-KM01B | 1250 mm (49.213") | 500 N (112.1 lb) | 180 N⋅m/° (97 µrad/N⋅m) | 24 N⋅m/° (727 µrad/N⋅m) |
| LC40B1250-N2-KM01 | 1180 mm (46.457") | 1000 N (224.3 lb) | ||
| LC40B1250-N2-KM01B | 1180 mm (46.457") | 1000 N (224.3 lb) | ||
| LC40B1300-KM01 | 1300 mm (51.181") | 500 N (112.1 lb) | 180 N⋅m/° (97 µrad/N⋅m) | 24 N⋅m/° (727 µrad/N⋅m) |
| LC40B1300-KM01B | 1300 mm (51.181") | 500 N (112.1 lb) | 180 N⋅m/° (97 µrad/N⋅m) | 24 N⋅m/° (727 µrad/N⋅m) |
| LC40B1300-N2-KM01 | 1230 mm (48.425") | 1000 N (224.3 lb) | ||
| LC40B1300-N2-KM01B | 1230 mm (48.425") | 1000 N (224.3 lb) | ||
| LC40B1350-KM01 | 1350 mm (53.150") | 500 N (112.1 lb) | 180 N⋅m/° (97 µrad/N⋅m) | 24 N⋅m/° (727 µrad/N⋅m) |
| LC40B1350-KM01B | 1350 mm (53.150") | 500 N (112.1 lb) | 180 N⋅m/° (97 µrad/N⋅m) | 24 N⋅m/° (727 µrad/N⋅m) |
| LC40B1350-N2-KM01 | 1280 mm (50.394") | 1000 N (224.3 lb) | ||
| LC40B1350-N2-KM01B | 1280 mm (50.394") | 1000 N (224.3 lb) | ||
| LC40B1400-KM01 | 1400 mm (55.118") | 500 N (112.1 lb) | 180 N⋅m/° (97 µrad/N⋅m) | 24 N⋅m/° (727 µrad/N⋅m) |
| LC40B1400-KM01B | 1400 mm (55.118") | 500 N (112.1 lb) | 180 N⋅m/° (97 µrad/N⋅m) | 24 N⋅m/° (727 µrad/N⋅m) |
| LC40B1400-N2-KM01 | 1330 mm (52.362") | 1000 N (224.3 lb) | ||
| LC40B1400-N2-KM01B | 1330 mm (52.362") | 1000 N (224.3 lb) | ||
| LC40B1450-KM01 | 1450 mm (57.087") | 500 N (112.1 lb) | 180 N⋅m/° (97 µrad/N⋅m) | 24 N⋅m/° (727 µrad/N⋅m) |
| LC40B1450-KM01B | 1450 mm (57.087") | 500 N (112.1 lb) | 180 N⋅m/° (97 µrad/N⋅m) | 24 N⋅m/° (727 µrad/N⋅m) |
| LC40B1450-N2-KM01 | 1380 mm (54.331") | 1000 N (224.3 lb) | ||
| LC40B1450-N2-KM01B | 1380 mm (54.331") | 1000 N (224.3 lb) | ||
| LC40B1500-KM01 | 1500 mm (59.055") | 500 N (112.1 lb) | 180 N⋅m/° (97 µrad/N⋅m) | 24 N⋅m/° (727 µrad/N⋅m) |
| LC40B1500-KM01B | 1500 mm (59.055") | 500 N (112.1 lb) | 180 N⋅m/° (97 µrad/N⋅m) | 24 N⋅m/° (727 µrad/N⋅m) |
| LC40B1500-N2-KM01 | 1430 mm (56.299") | 1000 N (224.3 lb) | ||
| LC40B1500-N2-KM01B | 1430 mm (56.299") | 1000 N (224.3 lb) | ||
| LC40B1550-KM01 | 1550 mm (61.024") | 500 N (112.1 lb) | 180 N⋅m/° (97 µrad/N⋅m) | 24 N⋅m/° (727 µrad/N⋅m) |
| LC40B1550-KM01B | 1550 mm (61.024") | 500 N (112.1 lb) | 180 N⋅m/° (97 µrad/N⋅m) | 24 N⋅m/° (727 µrad/N⋅m) |
| LC40B1550-N2-KM01 | 1480 mm (58.268") | 1000 N (224.3 lb) | ||
| LC40B1550-N2-KM01B | 1480 mm (58.268") | 1000 N (224.3 lb) | ||
| LC40B1600-KM01 | 1600 mm (62.992") | 500 N (112.1 lb) | 180 N⋅m/° (97 µrad/N⋅m) | 24 N⋅m/° (727 µrad/N⋅m) |
| LC40B1600-KM01B | 1600 mm (62.992") | 500 N (112.1 lb) | 180 N⋅m/° (97 µrad/N⋅m) | 24 N⋅m/° (727 µrad/N⋅m) |
| LC40B1600-N2-KM01 | 1530 mm (60.236") | 1000 N (224.3 lb) | ||
| LC40B1600-N2-KM01B | 1530 mm (60.236") | 1000 N (224.3 lb) | ||
| LC40B1650-KM01 | 1650 mm (64.961") | 500 N (112.1 lb) | 180 N⋅m/° (97 µrad/N⋅m) | 24 N⋅m/° (727 µrad/N⋅m) |
| LC40B1650-KM01B | 1650 mm (64.961") | 500 N (112.1 lb) | 180 N⋅m/° (97 µrad/N⋅m) | 24 N⋅m/° (727 µrad/N⋅m) |
| LC40B1650-N2-KM01 | 1580 mm (62.205") | 1000 N (224.3 lb) | ||
| LC40B1650-N2-KM01B | 1580 mm (62.205") | 1000 N (224.3 lb) | ||
| LC40B1700-KM01 | 1700 mm (66.929") | 500 N (112.1 lb) | 180 N⋅m/° (97 µrad/N⋅m) | 24 N⋅m/° (727 µrad/N⋅m) |
| LC40B1700-KM01B | 1700 mm (66.929") | 500 N (112.1 lb) | 180 N⋅m/° (97 µrad/N⋅m) | 24 N⋅m/° (727 µrad/N⋅m) |
| LC40B1700-N2-KM01 | 1630 mm (64.173") | 1000 N (224.3 lb) | ||
| LC40B1700-N2-KM01B | 1630 mm (64.173") | 1000 N (224.3 lb) | ||
| LC40B1750-KM01 | 1750 mm (68.898") | 500 N (112.1 lb) | 180 N⋅m/° (97 µrad/N⋅m) | 24 N⋅m/° (727 µrad/N⋅m) |
| LC40B1750-KM01B | 1750 mm (68.898") | 500 N (112.1 lb) | 180 N⋅m/° (97 µrad/N⋅m) | 24 N⋅m/° (727 µrad/N⋅m) |
| LC40B1750-N2-KM01 | 1680 mm (66.142") | 1000 N (224.3 lb) | ||
| LC40B1750-N2-KM01B | 1680 mm (66.142") | 1000 N (224.3 lb) | ||
| LC40B1800-KM01 | 1800 mm (70.866") | 500 N (112.1 lb) | 180 N⋅m/° (97 µrad/N⋅m) | 24 N⋅m/° (727 µrad/N⋅m) |
| LC40B1800-KM01B | 1800 mm (70.866") | 500 N (112.1 lb) | 180 N⋅m/° (97 µrad/N⋅m) | 24 N⋅m/° (727 µrad/N⋅m) |
| LC40B1800-N2-KM01 | 1730 mm (68.110") | 1000 N (224.3 lb) | ||
| LC40B1800-N2-KM01B | 1730 mm (68.110") | 1000 N (224.3 lb) | ||
| LC40B1850-KM01 | 1850 mm (72.835") | 500 N (112.1 lb) | 180 N⋅m/° (97 µrad/N⋅m) | 24 N⋅m/° (727 µrad/N⋅m) |
| LC40B1850-KM01B | 1850 mm (72.835") | 500 N (112.1 lb) | 180 N⋅m/° (97 µrad/N⋅m) | 24 N⋅m/° (727 µrad/N⋅m) |
| LC40B1850-N2-KM01 | 1780 mm (70.079") | 1000 N (224.3 lb) | ||
| LC40B1850-N2-KM01B | 1780 mm (70.079") | 1000 N (224.3 lb) | ||
| LC40B1900-KM01 | 1900 mm (74.803") | 500 N (112.1 lb) | 180 N⋅m/° (97 µrad/N⋅m) | 24 N⋅m/° (727 µrad/N⋅m) |
| LC40B1900-KM01B | 1900 mm (74.803") | 500 N (112.1 lb) | 180 N⋅m/° (97 µrad/N⋅m) | 24 N⋅m/° (727 µrad/N⋅m) |
| LC40B1900-N2-KM01 | 1830 mm (72.047") | 1000 N (224.3 lb) | ||
| LC40B1900-N2-KM01B | 1830 mm (72.047") | 1000 N (224.3 lb) | ||
| LC40B1950-KM01 | 1950 mm (76.772") | 500 N (112.1 lb) | 180 N⋅m/° (97 µrad/N⋅m) | 24 N⋅m/° (727 µrad/N⋅m) |
| LC40B1950-KM01B | 1950 mm (76.772") | 500 N (112.1 lb) | 180 N⋅m/° (97 µrad/N⋅m) | 24 N⋅m/° (727 µrad/N⋅m) |
| LC40B1950-N2-KM01 | 1880 mm (74.016") | 1000 N (224.3 lb) | ||
| LC40B1950-N2-KM01B | 1880 mm (74.016") | 1000 N (224.3 lb) | ||
| LC40B2000-KM01 | 2000 mm (78.740") | 500 N (112.1 lb) | 180 N⋅m/° (97 µrad/N⋅m) | 24 N⋅m/° (727 µrad/N⋅m) |
| LC40B2000-KM01B | 2000 mm (78.740") | 500 N (112.1 lb) | 180 N⋅m/° (97 µrad/N⋅m) | 24 N⋅m/° (727 µrad/N⋅m) |
| LC40B2000-N2-KM01 | 1930 mm (75.984") | 1000 N (224.3 lb) | ||
| LC40B2000-N2-KM01B | 1930 mm (75.984") | 1000 N (224.3 lb) | ||
| LC40B2050-KM01 | 2050 mm (80.709") | 500 N (112.1 lb) | 180 N⋅m/° (97 µrad/N⋅m) | 24 N⋅m/° (727 µrad/N⋅m) |
| LC40B2050-KM01B | 2050 mm (80.709") | 500 N (112.1 lb) | 180 N⋅m/° (97 µrad/N⋅m) | 24 N⋅m/° (727 µrad/N⋅m) |
| LC40B2050-N2-KM01 | 1980 mm (77.953") | 1000 N (224.3 lb) | ||
| LC40B2050-N2-KM01B | 1980 mm (77.953") | 1000 N (224.3 lb) | ||
| LC40B2100-KM01 | 2100 mm (82.677") | 500 N (112.1 lb) | 180 N⋅m/° (97 µrad/N⋅m) | 24 N⋅m/° (727 µrad/N⋅m) |
| LC40B2100-KM01B | 2100 mm (82.677") | 500 N (112.1 lb) | 180 N⋅m/° (97 µrad/N⋅m) | 24 N⋅m/° (727 µrad/N⋅m) |
| LC40B2100-N2-KM01 | 2030 mm (79.921") | 1000 N (224.3 lb) | ||
| LC40B2100-N2-KM01B | 2030 mm (79.921") | 1000 N (224.3 lb) | ||
| LC40B2150-KM01 | 2150 mm (84.645") | 500 N (112.1 lb) | 180 N⋅m/° (97 µrad/N⋅m) | 24 N⋅m/° (727 µrad/N⋅m) |
| LC40B2150-KM01B | 2150 mm (84.645") | 500 N (112.1 lb) | 180 N⋅m/° (97 µrad/N⋅m) | 24 N⋅m/° (727 µrad/N⋅m) |
| LC40B2150-N2-KM01 | 2080 mm (81.890") | 1000 N (224.3 lb) | ||
| LC40B2150-N2-KM01B | 2080 mm (81.890") | 1000 N (224.3 lb) | ||
| LC40B2200-KM01 | 2200 mm (86.614") | 500 N (112.1 lb) | 180 N⋅m/° (97 µrad/N⋅m) | 24 N⋅m/° (727 µrad/N⋅m) |
| LC40B2200-KM01B | 2200 mm (86.614") | 500 N (112.1 lb) | 180 N⋅m/° (97 µrad/N⋅m) | 24 N⋅m/° (727 µrad/N⋅m) |
| LC40B2200-N2-KM01 | 2130 mm (83.858") | 1000 N (224.3 lb) | ||
| LC40B2200-N2-KM01B | 2130 mm (83.858") | 1000 N (224.3 lb) | ||
| LC40B2250-KM01 | 2250 mm (88.583") | 500 N (112.1 lb) | 180 N⋅m/° (97 µrad/N⋅m) | 24 N⋅m/° (727 µrad/N⋅m) |
| LC40B2250-KM01B | 2250 mm (88.583") | 500 N (112.1 lb) | 180 N⋅m/° (97 µrad/N⋅m) | 24 N⋅m/° (727 µrad/N⋅m) |
| LC40B2250-N2-KM01 | 2180 mm (85.827") | 1000 N (224.3 lb) | ||
| LC40B2250-N2-KM01B | 2180 mm (85.827") | 1000 N (224.3 lb) | ||
| LC40B2300-KM01 | 2300 mm (90.551") | 500 N (112.1 lb) | 180 N⋅m/° (97 µrad/N⋅m) | 24 N⋅m/° (727 µrad/N⋅m) |
| LC40B2300-KM01B | 2300 mm (90.551") | 500 N (112.1 lb) | 180 N⋅m/° (97 µrad/N⋅m) | 24 N⋅m/° (727 µrad/N⋅m) |
| LC40B2300-N2-KM01 | 2230 mm (87.795") | 1000 N (224.3 lb) | ||
| LC40B2300-N2-KM01B | 2230 mm (87.795") | 1000 N (224.3 lb) | ||
| LC40B2350-KM01 | 2350 mm (92.520") | 500 N (112.1 lb) | 180 N⋅m/° (97 µrad/N⋅m) | 24 N⋅m/° (727 µrad/N⋅m) |
| LC40B2350-KM01B | 2350 mm (92.520") | 500 N (112.1 lb) | 180 N⋅m/° (97 µrad/N⋅m) | 24 N⋅m/° (727 µrad/N⋅m) |
| LC40B2350-N2-KM01 | 2280 mm (89.764") | 1000 N (224.3 lb) | ||
| LC40B2350-N2-KM01B | 2280 mm (89.764") | 1000 N (224.3 lb) | ||
| LC40B2400-KM01 | 2400 mm (94.488") | 500 N (112.1 lb) | 180 N⋅m/° (97 µrad/N⋅m) | 24 N⋅m/° (727 µrad/N⋅m) |
| LC40B2400-KM01B | 2400 mm (94.488") | 500 N (112.1 lb) | 180 N⋅m/° (97 µrad/N⋅m) | 24 N⋅m/° (727 µrad/N⋅m) |
| LC40B2400-N2-KM01 | 2330 mm (91.732") | 1000 N (224.3 lb) | ||
| LC40B2400-N2-KM01B | 2330 mm (91.732") | 1000 N (224.3 lb) | ||
| LC40B2450-KM01 | 2450 mm (96.457") | 500 N (112.1 lb) | 180 N⋅m/° (97 µrad/N⋅m) | 24 N⋅m/° (727 µrad/N⋅m) |
| LC40B2450-KM01B | 2450 mm (96.457") | 500 N (112.1 lb) | 180 N⋅m/° (97 µrad/N⋅m) | 24 N⋅m/° (727 µrad/N⋅m) |
| LC40B2450-N2-KM01 | 2380 mm (93.701") | 1000 N (224.3 lb) | ||
| LC40B2450-N2-KM01B | 2380 mm (93.701") | 1000 N (224.3 lb) | ||
| LC40B2500-KM01 | 2500 mm (98.425") | 500 N (112.1 lb) | 180 N⋅m/° (97 µrad/N⋅m) | 24 N⋅m/° (727 µrad/N⋅m) |
| LC40B2500-KM01B | 2500 mm (98.425") | 500 N (112.1 lb) | 180 N⋅m/° (97 µrad/N⋅m) | 24 N⋅m/° (727 µrad/N⋅m) |
| LC40B2500-N2-KM01 | 2430 mm (95.669") | 1000 N (224.3 lb) | ||
| LC40B2500-N2-KM01B | 2430 mm (95.669") | 1000 N (224.3 lb) | ||
| LC40B2550-KM01 | 2550 mm (100.394") | 500 N (112.1 lb) | 180 N⋅m/° (97 µrad/N⋅m) | 24 N⋅m/° (727 µrad/N⋅m) |
| LC40B2550-KM01B | 2550 mm (100.394") | 500 N (112.1 lb) | 180 N⋅m/° (97 µrad/N⋅m) | 24 N⋅m/° (727 µrad/N⋅m) |
| LC40B2550-N2-KM01 | 2480 mm (97.638") | 1000 N (224.3 lb) | ||
| LC40B2550-N2-KM01B | 2480 mm (97.638") | 1000 N (224.3 lb) | ||
| LC40B2600-KM01 | 2600 mm (102.362") | 500 N (112.1 lb) | 180 N⋅m/° (97 µrad/N⋅m) | 24 N⋅m/° (727 µrad/N⋅m) |
| LC40B2600-KM01B | 2600 mm (102.362") | 500 N (112.1 lb) | 180 N⋅m/° (97 µrad/N⋅m) | 24 N⋅m/° (727 µrad/N⋅m) |
| LC40B2600-N2-KM01 | 2530 mm (99.606") | 1000 N (224.3 lb) | ||
| LC40B2600-N2-KM01B | 2530 mm (99.606") | 1000 N (224.3 lb) | ||
| LC40B2650-KM01 | 2650 mm (104.331") | 500 N (112.1 lb) | 180 N⋅m/° (97 µrad/N⋅m) | 24 N⋅m/° (727 µrad/N⋅m) |
| LC40B2650-KM01B | 2650 mm (104.331") | 500 N (112.1 lb) | 180 N⋅m/° (97 µrad/N⋅m) | 24 N⋅m/° (727 µrad/N⋅m) |
| LC40B2650-N2-KM01 | 2580 mm (101.575") | 1000 N (224.3 lb) | ||
| LC40B2650-N2-KM01B | 2580 mm (101.575") | 1000 N (224.3 lb) | ||
| LC40B2700-KM01 | 2700 mm (106.299") | 500 N (112.1 lb) | 180 N⋅m/° (97 µrad/N⋅m) | 24 N⋅m/° (727 µrad/N⋅m) |
| LC40B2700-KM01B | 2700 mm (106.299") | 500 N (112.1 lb) | 180 N⋅m/° (97 µrad/N⋅m) | 24 N⋅m/° (727 µrad/N⋅m) |
| LC40B2700-N2-KM01 | 2630 mm (103.543") | 1000 N (224.3 lb) | ||
| LC40B2700-N2-KM01B | 2630 mm (103.543") | 1000 N (224.3 lb) | ||
| LC40B2750-KM01 | 2750 mm (108.268") | 500 N (112.1 lb) | 180 N⋅m/° (97 µrad/N⋅m) | 24 N⋅m/° (727 µrad/N⋅m) |
| LC40B2750-KM01B | 2750 mm (108.268") | 500 N (112.1 lb) | 180 N⋅m/° (97 µrad/N⋅m) | 24 N⋅m/° (727 µrad/N⋅m) |
| LC40B2750-N2-KM01 | 2680 mm (105.512") | 1000 N (224.3 lb) | ||
| LC40B2750-N2-KM01B | 2680 mm (105.512") | 1000 N (224.3 lb) | ||
| LC40B2800-KM01 | 2800 mm (110.236") | 500 N (112.1 lb) | 180 N⋅m/° (97 µrad/N⋅m) | 24 N⋅m/° (727 µrad/N⋅m) |
| LC40B2800-KM01B | 2800 mm (110.236") | 500 N (112.1 lb) | 180 N⋅m/° (97 µrad/N⋅m) | 24 N⋅m/° (727 µrad/N⋅m) |
| LC40B2800-N2-KM01 | 2730 mm (107.480") | 1000 N (224.3 lb) | ||
| LC40B2800-N2-KM01B | 2730 mm (107.480") | 1000 N (224.3 lb) | ||
| LC40B2850-KM01 | 2850 mm (112.205") | 500 N (112.1 lb) | 180 N⋅m/° (97 µrad/N⋅m) | 24 N⋅m/° (727 µrad/N⋅m) |
| LC40B2850-KM01B | 2850 mm (112.205") | 500 N (112.1 lb) | 180 N⋅m/° (97 µrad/N⋅m) | 24 N⋅m/° (727 µrad/N⋅m) |
| LC40B2850-N2-KM01 | 2780 mm (109.449") | 1000 N (224.3 lb) | ||
| LC40B2850-N2-KM01B | 2780 mm (109.449") | 1000 N (224.3 lb) | ||
| LC40B2900-KM01 | 2900 mm (114.173") | 500 N (112.1 lb) | 180 N⋅m/° (97 µrad/N⋅m) | 24 N⋅m/° (727 µrad/N⋅m) |
| LC40B2900-KM01B | 2900 mm (114.173") | 500 N (112.1 lb) | 180 N⋅m/° (97 µrad/N⋅m) | 24 N⋅m/° (727 µrad/N⋅m) |
| LC40B2900-N2-KM01 | 2830 mm (111.417") | 1000 N (224.3 lb) | ||
| LC40B2900-N2-KM01B | 2830 mm (111.417") | 1000 N (224.3 lb) | ||
| LC40B2950-KM01 | 2950 mm (116.142") | 500 N (112.1 lb) | 180 N⋅m/° (97 µrad/N⋅m) | 24 N⋅m/° (727 µrad/N⋅m) |
| LC40B2950-KM01B | 2950 mm (116.142") | 500 N (112.1 lb) | 180 N⋅m/° (97 µrad/N⋅m) | 24 N⋅m/° (727 µrad/N⋅m) |
| LC40B2950-N2-KM01 | 2880 mm (113.386") | 1000 N (224.3 lb) | ||
| LC40B2950-N2-KM01B | 2880 mm (113.386") | 1000 N (224.3 lb) | ||
| LC40B3000-KM01 | 3000 mm (118.110") | 500 N (112.1 lb) | 180 N⋅m/° (97 µrad/N⋅m) | 24 N⋅m/° (727 µrad/N⋅m) |
| LC40B3000-KM01B | 3000 mm (118.110") | 500 N (112.1 lb) | 180 N⋅m/° (97 µrad/N⋅m) | 24 N⋅m/° (727 µrad/N⋅m) |
| LC40B3000-N2-KM01 | 2930 mm (115.354") | 1000 N (224.3 lb) | ||
| LC40B3000-N2-KM01B | 2930 mm (115.354") | 1000 N (224.3 lb) | ||
| LC40B3050-KM01 | 3050 mm (120.079") | 500 N (112.1 lb) | 180 N⋅m/° (97 µrad/N⋅m) | 24 N⋅m/° (727 µrad/N⋅m) |
| LC40B3050-KM01B | 3050 mm (120.079") | 500 N (112.1 lb) | 180 N⋅m/° (97 µrad/N⋅m) | 24 N⋅m/° (727 µrad/N⋅m) |
| LC40B3050-N2-KM01 | 2980 mm (117.323") | 1000 N (224.3 lb) | ||
| LC40B3050-N2-KM01B | 2980 mm (117.323") | 1000 N (224.3 lb) | ||
| LC40B3100-KM01 | 3100 mm (122.047") | 500 N (112.1 lb) | 180 N⋅m/° (97 µrad/N⋅m) | 24 N⋅m/° (727 µrad/N⋅m) |
| LC40B3100-KM01B | 3100 mm (122.047") | 500 N (112.1 lb) | 180 N⋅m/° (97 µrad/N⋅m) | 24 N⋅m/° (727 µrad/N⋅m) |
| LC40B3100-N2-KM01 | 3030 mm (119.291") | 1000 N (224.3 lb) | ||
| LC40B3100-N2-KM01B | 3030 mm (119.291") | 1000 N (224.3 lb) | ||
| LC40B3150-KM01 | 3150 mm (124.016") | 500 N (112.1 lb) | 180 N⋅m/° (97 µrad/N⋅m) | 24 N⋅m/° (727 µrad/N⋅m) |
| LC40B3150-KM01B | 3150 mm (124.016") | 500 N (112.1 lb) | 180 N⋅m/° (97 µrad/N⋅m) | 24 N⋅m/° (727 µrad/N⋅m) |
| LC40B3150-N2-KM01 | 3080 mm (121.260") | 1000 N (224.3 lb) | ||
| LC40B3150-N2-KM01B | 3080 mm (121.260") | 1000 N (224.3 lb) | ||
| LC40B3200-KM01 | 3200 mm (125.984") | 500 N (112.1 lb) | 180 N⋅m/° (97 µrad/N⋅m) | 24 N⋅m/° (727 µrad/N⋅m) |
| LC40B3200-KM01B | 3200 mm (125.984") | 500 N (112.1 lb) | 180 N⋅m/° (97 µrad/N⋅m) | 24 N⋅m/° (727 µrad/N⋅m) |
| LC40B3200-N2-KM01 | 3130 mm (123.228") | 1000 N (224.3 lb) | ||
| LC40B3200-N2-KM01B | 3130 mm (123.228") | 1000 N (224.3 lb) | ||
| LC40B3250-KM01 | 3250 mm (127.953") | 500 N (112.1 lb) | 180 N⋅m/° (97 µrad/N⋅m) | 24 N⋅m/° (727 µrad/N⋅m) |
| LC40B3250-KM01B | 3250 mm (127.953") | 500 N (112.1 lb) | 180 N⋅m/° (97 µrad/N⋅m) | 24 N⋅m/° (727 µrad/N⋅m) |
| LC40B3250-N2-KM01 | 3180 mm (125.197") | 1000 N (224.3 lb) | ||
| LC40B3250-N2-KM01B | 3180 mm (125.197") | 1000 N (224.3 lb) | ||
| LC40B3300-KM01 | 3300 mm (129.921") | 500 N (112.1 lb) | 180 N⋅m/° (97 µrad/N⋅m) | 24 N⋅m/° (727 µrad/N⋅m) |
| LC40B3300-KM01B | 3300 mm (129.921") | 500 N (112.1 lb) | 180 N⋅m/° (97 µrad/N⋅m) | 24 N⋅m/° (727 µrad/N⋅m) |
| LC40B3300-N2-KM01 | 3230 mm (127.165") | 1000 N (224.3 lb) | ||
| LC40B3300-N2-KM01B | 3230 mm (127.165") | 1000 N (224.3 lb) | ||
| LC40B3350-KM01 | 3350 mm (131.889") | 500 N (112.1 lb) | 180 N⋅m/° (97 µrad/N⋅m) | 24 N⋅m/° (727 µrad/N⋅m) |
| LC40B3350-KM01B | 3350 mm (131.889") | 500 N (112.1 lb) | 180 N⋅m/° (97 µrad/N⋅m) | 24 N⋅m/° (727 µrad/N⋅m) |
| LC40B3350-N2-KM01 | 3280 mm (129.134") | 1000 N (224.3 lb) | ||
| LC40B3350-N2-KM01B | 3280 mm (129.134") | 1000 N (224.3 lb) | ||
| LC40B3400-KM01 | 3400 mm (133.858") | 500 N (112.1 lb) | 180 N⋅m/° (97 µrad/N⋅m) | 24 N⋅m/° (727 µrad/N⋅m) |
| LC40B3400-KM01B | 3400 mm (133.858") | 500 N (112.1 lb) | 180 N⋅m/° (97 µrad/N⋅m) | 24 N⋅m/° (727 µrad/N⋅m) |
| LC40B3400-N2-KM01 | 3330 mm (131.102") | 1000 N (224.3 lb) | ||
| LC40B3400-N2-KM01B | 3330 mm (131.102") | 1000 N (224.3 lb) | ||
| LC40B3450-KM01 | 3450 mm (135.827") | 500 N (112.1 lb) | 180 N⋅m/° (97 µrad/N⋅m) | 24 N⋅m/° (727 µrad/N⋅m) |
| LC40B3450-KM01B | 3450 mm (135.827") | 500 N (112.1 lb) | 180 N⋅m/° (97 µrad/N⋅m) | 24 N⋅m/° (727 µrad/N⋅m) |
| LC40B3450-N2-KM01 | 3380 mm (133.071") | 1000 N (224.3 lb) | ||
| LC40B3450-N2-KM01B | 3380 mm (133.071") | 1000 N (224.3 lb) | ||
| LC40B3500-KM01 | 3500 mm (137.795") | 500 N (112.1 lb) | 180 N⋅m/° (97 µrad/N⋅m) | 24 N⋅m/° (727 µrad/N⋅m) |
| LC40B3500-KM01B | 3500 mm (137.795") | 500 N (112.1 lb) | 180 N⋅m/° (97 µrad/N⋅m) | 24 N⋅m/° (727 µrad/N⋅m) |
| LC40B3500-N2-KM01 | 3430 mm (135.039") | 1000 N (224.3 lb) | ||
| LC40B3500-N2-KM01B | 3430 mm (135.039") | 1000 N (224.3 lb) |
| Part Number | Stiffness in Yaw | Maximum Axial Brake Force | Weight |
|---|---|---|---|
| LC40B0100-KM01 | 180 N⋅m/° (97 µrad/N⋅m) | 1.461 kg (3.221 lb) | |
| LC40B0100-KM01B | 180 N⋅m/° (97 µrad/N⋅m) | 70 N (15.7 lb) | 1.461 kg (3.221 lb) |
| LC40B0100-N2-KM01 | 1.656 kg (3.651 lb) | ||
| LC40B0100-N2-KM01B | 70 N (15.7 lb) | 1.656 kg (3.651 lb) | |
| LC40B0150-KM01 | 180 N⋅m/° (97 µrad/N⋅m) | 1.581 kg (3.486 lb) | |
| LC40B0150-KM01B | 180 N⋅m/° (97 µrad/N⋅m) | 70 N (15.7 lb) | 1.581 kg (3.486 lb) |
| LC40B0150-N2-KM01 | 1.776 kg (3.915 lb) | ||
| LC40B0150-N2-KM01B | 70 N (15.7 lb) | 1.776 kg (3.915 lb) | |
| LC40B0200-KM01 | 180 N⋅m/° (97 µrad/N⋅m) | 1.701 kg (3.750 lb) | |
| LC40B0200-KM01B | 180 N⋅m/° (97 µrad/N⋅m) | 70 N (15.7 lb) | 1.701 kg (3.750 lb) |
| LC40B0200-N2-KM01 | 1.896 kg (4.180 lb) | ||
| LC40B0200-N2-KM01B | 70 N (15.7 lb) | 1.896 kg (4.180 lb) | |
| LC40B0250-KM01 | 180 N⋅m/° (97 µrad/N⋅m) | 1.821 kg (4.015 lb) | |
| LC40B0250-KM01B | 180 N⋅m/° (97 µrad/N⋅m) | 70 N (15.7 lb) | 1.821 kg (4.015 lb) |
| LC40B0250-N2-KM01 | 2.016 kg (4.445 lb) | ||
| LC40B0250-N2-KM01B | 70 N (15.7 lb) | 2.016 kg (4.445 lb) | |
| LC40B0300-KM01 | 180 N⋅m/° (97 µrad/N⋅m) | 1.942 kg (4.281 lb) | |
| LC40B0300-KM01B | 180 N⋅m/° (97 µrad/N⋅m) | 70 N (15.7 lb) | 1.942 kg (4.281 lb) |
| LC40B0300-N2-KM01 | 2.137 kg (4.711 lb) | ||
| LC40B0300-N2-KM01B | 70 N (15.7 lb) | 2.137 kg (4.711 lb) | |
| LC40B0350-KM01 | 180 N⋅m/° (97 µrad/N⋅m) | 2.062 kg (4.546 lb) | |
| LC40B0350-KM01B | 180 N⋅m/° (97 µrad/N⋅m) | 70 N (15.7 lb) | 2.062 kg (4.546 lb) |
| LC40B0350-N2-KM01 | 2.257 kg (4.976 lb) | ||
| LC40B0350-N2-KM01B | 70 N (15.7 lb) | 2.257 kg (4.976 lb) | |
| LC40B0400-KM01 | 180 N⋅m/° (97 µrad/N⋅m) | 2.182 kg (4.810 lb) | |
| LC40B0400-KM01B | 180 N⋅m/° (97 µrad/N⋅m) | 70 N (15.7 lb) | 2.182 kg (4.810 lb) |
| LC40B0400-N2-KM01 | 2.377 kg (5.240 lb) | ||
| LC40B0400-N2-KM01B | 70 N (15.7 lb) | 2.377 kg (5.240 lb) | |
| LC40B0450-KM01 | 180 N⋅m/° (97 µrad/N⋅m) | 2.302 kg (5.075 lb) | |
| LC40B0450-KM01B | 180 N⋅m/° (97 µrad/N⋅m) | 70 N (15.7 lb) | 2.302 kg (5.075 lb) |
| LC40B0450-N2-KM01 | 2.497 kg (5.505 lb) | ||
| LC40B0450-N2-KM01B | 70 N (15.7 lb) | 2.497 kg (5.505 lb) | |
| LC40B0500-KM01 | 180 N⋅m/° (97 µrad/N⋅m) | 2.423 kg (5.342 lb) | |
| LC40B0500-KM01B | 180 N⋅m/° (97 µrad/N⋅m) | 70 N (15.7 lb) | 2.423 kg (5.342 lb) |
| LC40B0500-N2-KM01 | 2.618 kg (5.772 lb) | ||
| LC40B0500-N2-KM01B | 70 N (15.7 lb) | 2.618 kg (5.772 lb) | |
| LC40B0550-KM01 | 180 N⋅m/° (97 µrad/N⋅m) | 2.543 kg (5.606 lb) | |
| LC40B0550-KM01B | 180 N⋅m/° (97 µrad/N⋅m) | 70 N (15.7 lb) | 2.543 kg (5.606 lb) |
| LC40B0550-N2-KM01 | 2.738 kg (6.036 lb) | ||
| LC40B0550-N2-KM01B | 70 N (15.7 lb) | 2.738 kg (6.036 lb) | |
| LC40B0600-KM01 | 180 N⋅m/° (97 µrad/N⋅m) | 2.663 kg (5.871 lb) | |
| LC40B0600-KM01B | 180 N⋅m/° (97 µrad/N⋅m) | 70 N (15.7 lb) | 2.663 kg (5.871 lb) |
| LC40B0600-N2-KM01 | 2.858 kg (6.301 lb) | ||
| LC40B0600-N2-KM01B | 70 N (15.7 lb) | 2.858 kg (6.301 lb) | |
| LC40B0650-KM01 | 180 N⋅m/° (97 µrad/N⋅m) | 2.783 kg (6.135 lb) | |
| LC40B0650-KM01B | 180 N⋅m/° (97 µrad/N⋅m) | 70 N (15.7 lb) | 2.783 kg (6.135 lb) |
| LC40B0650-N2-KM01 | 2.978 kg (6.565 lb) | ||
| LC40B0650-N2-KM01B | 70 N (15.7 lb) | 2.978 kg (6.565 lb) | |
| LC40B0700-KM01 | 180 N⋅m/° (97 µrad/N⋅m) | 2.904 kg (6.402 lb) | |
| LC40B0700-KM01B | 180 N⋅m/° (97 µrad/N⋅m) | 70 N (15.7 lb) | 2.904 kg (6.402 lb) |
| LC40B0700-N2-KM01 | 3.099 kg (6.832 lb) | ||
| LC40B0700-N2-KM01B | 70 N (15.7 lb) | 3.099 kg (6.832 lb) | |
| LC40B0750-KM01 | 180 N⋅m/° (97 µrad/N⋅m) | 3.024 kg (6.667 lb) | |
| LC40B0750-KM01B | 180 N⋅m/° (97 µrad/N⋅m) | 70 N (15.7 lb) | 3.024 kg (6.667 lb) |
| LC40B0750-N2-KM01 | 3.219 kg (7.097 lb) | ||
| LC40B0750-N2-KM01B | 70 N (15.7 lb) | 3.219 kg (7.097 lb) | |
| LC40B0800-KM01 | 180 N⋅m/° (97 µrad/N⋅m) | 3.144 kg (6.931 lb) | |
| LC40B0800-KM01B | 180 N⋅m/° (97 µrad/N⋅m) | 70 N (15.7 lb) | 3.144 kg (6.931 lb) |
| LC40B0800-N2-KM01 | 3.339 kg (7.361 lb) | ||
| LC40B0800-N2-KM01B | 70 N (15.7 lb) | 3.339 kg (7.361 lb) | |
| LC40B0850-KM01 | 180 N⋅m/° (97 µrad/N⋅m) | 3.264 kg (7.196 lb) | |
| LC40B0850-KM01B | 180 N⋅m/° (97 µrad/N⋅m) | 70 N (15.7 lb) | 3.264 kg (7.196 lb) |
| LC40B0850-N2-KM01 | 3.459 kg (7.626 lb) | ||
| LC40B0850-N2-KM01B | 70 N (15.7 lb) | 3.459 kg (7.626 lb) | |
| LC40B0900-KM01 | 180 N⋅m/° (97 µrad/N⋅m) | 3.385 kg (7.463 lb) | |
| LC40B0900-KM01B | 180 N⋅m/° (97 µrad/N⋅m) | 70 N (15.7 lb) | 3.385 kg (7.463 lb) |
| LC40B0900-N2-KM01 | 3.58 kg (7.893 lb) | ||
| LC40B0900-N2-KM01B | 70 N (15.7 lb) | 3.58 kg (7.893 lb) | |
| LC40B0950-KM01 | 180 N⋅m/° (97 µrad/N⋅m) | 3.505 kg (7.727 lb) | |
| LC40B0950-KM01B | 180 N⋅m/° (97 µrad/N⋅m) | 70 N (15.7 lb) | 3.505 kg (7.727 lb) |
| LC40B0950-N2-KM01 | 3.7 kg (8.157 lb) | ||
| LC40B0950-N2-KM01B | 70 N (15.7 lb) | 3.7 kg (8.157 lb) | |
| LC40B1000-KM01 | 180 N⋅m/° (97 µrad/N⋅m) | 3.625 kg (7.992 lb) | |
| LC40B1000-KM01B | 180 N⋅m/° (97 µrad/N⋅m) | 70 N (15.7 lb) | 3.625 kg (7.992 lb) |
| LC40B1000-N2-KM01 | 3.82 kg (8.422 lb) | ||
| LC40B1000-N2-KM01B | 70 N (15.7 lb) | 3.82 kg (8.422 lb) | |
| LC40B1050-KM01 | 180 N⋅m/° (97 µrad/N⋅m) | 3.745 kg (8.256 lb) | |
| LC40B1050-KM01B | 180 N⋅m/° (97 µrad/N⋅m) | 70 N (15.7 lb) | 3.745 kg (8.256 lb) |
| LC40B1050-N2-KM01 | 3.94 kg (8.686 lb) | ||
| LC40B1050-N2-KM01B | 70 N (15.7 lb) | 3.94 kg (8.686 lb) | |
| LC40B1100-KM01 | 180 N⋅m/° (97 µrad/N⋅m) | 3.866 kg (8.523 lb) | |
| LC40B1100-KM01B | 180 N⋅m/° (97 µrad/N⋅m) | 70 N (15.7 lb) | 3.866 kg (8.523 lb) |
| LC40B1100-N2-KM01 | 4.061 kg (8.953 lb) | ||
| LC40B1100-N2-KM01B | 70 N (15.7 lb) | 4.061 kg (8.953 lb) | |
| LC40B1150-KM01 | 180 N⋅m/° (97 µrad/N⋅m) | 3.986 kg (8.788 lb) | |
| LC40B1150-KM01B | 180 N⋅m/° (97 µrad/N⋅m) | 70 N (15.7 lb) | 3.986 kg (8.788 lb) |
| LC40B1150-N2-KM01 | 4.181 kg (9.218 lb) | ||
| LC40B1150-N2-KM01B | 70 N (15.7 lb) | 4.181 kg (9.218 lb) | |
| LC40B1200-KM01 | 180 N⋅m/° (97 µrad/N⋅m) | 4.106 kg (9.052 lb) | |
| LC40B1200-KM01B | 180 N⋅m/° (97 µrad/N⋅m) | 70 N (15.7 lb) | 4.106 kg (9.052 lb) |
| LC40B1200-N2-KM01 | 4.301 kg (9.482 lb) | ||
| LC40B1200-N2-KM01B | 70 N (15.7 lb) | 4.301 kg (9.482 lb) | |
| LC40B1250-KM01 | 180 N⋅m/° (97 µrad/N⋅m) | 4.226 kg (9.317 lb) | |
| LC40B1250-KM01B | 180 N⋅m/° (97 µrad/N⋅m) | 70 N (15.7 lb) | 4.226 kg (9.317 lb) |
| LC40B1250-N2-KM01 | 4.421 kg (9.747 lb) | ||
| LC40B1250-N2-KM01B | 70 N (15.7 lb) | 4.421 kg (9.747 lb) | |
| LC40B1300-KM01 | 180 N⋅m/° (97 µrad/N⋅m) | 4.347 kg (9.583 lb) | |
| LC40B1300-KM01B | 180 N⋅m/° (97 µrad/N⋅m) | 70 N (15.7 lb) | 4.347 kg (9.583 lb) |
| LC40B1300-N2-KM01 | 4.542 kg (10.013 lb) | ||
| LC40B1300-N2-KM01B | 70 N (15.7 lb) | 4.542 kg (10.013 lb) | |
| LC40B1350-KM01 | 180 N⋅m/° (97 µrad/N⋅m) | 4.467 kg (9.848 lb) | |
| LC40B1350-KM01B | 180 N⋅m/° (97 µrad/N⋅m) | 70 N (15.7 lb) | 4.467 kg (9.848 lb) |
| LC40B1350-N2-KM01 | 4.662 kg (10.278 lb) | ||
| LC40B1350-N2-KM01B | 70 N (15.7 lb) | 4.662 kg (10.278 lb) | |
| LC40B1400-KM01 | 180 N⋅m/° (97 µrad/N⋅m) | 4.587 kg (10.113 lb) | |
| LC40B1400-KM01B | 180 N⋅m/° (97 µrad/N⋅m) | 70 N (15.7 lb) | 4.587 kg (10.113 lb) |
| LC40B1400-N2-KM01 | 4.782 kg (10.542 lb) | ||
| LC40B1400-N2-KM01B | 70 N (15.7 lb) | 4.782 kg (10.542 lb) | |
| LC40B1450-KM01 | 180 N⋅m/° (97 µrad/N⋅m) | 4.707 kg (10.377 lb) | |
| LC40B1450-KM01B | 180 N⋅m/° (97 µrad/N⋅m) | 70 N (15.7 lb) | 4.707 kg (10.377 lb) |
| LC40B1450-N2-KM01 | 4.902 kg (10.807 lb) | ||
| LC40B1450-N2-KM01B | 70 N (15.7 lb) | 4.902 kg (10.807 lb) | |
| LC40B1500-KM01 | 180 N⋅m/° (97 µrad/N⋅m) | 4.828 kg (10.644 lb) | |
| LC40B1500-KM01B | 180 N⋅m/° (97 µrad/N⋅m) | 70 N (15.7 lb) | 4.828 kg (10.644 lb) |
| LC40B1500-N2-KM01 | 5.023 kg (11.074 lb) | ||
| LC40B1500-N2-KM01B | 70 N (15.7 lb) | 5.023 kg (11.074 lb) | |
| LC40B1550-KM01 | 180 N⋅m/° (97 µrad/N⋅m) | 4.948 kg (10.908 lb) | |
| LC40B1550-KM01B | 180 N⋅m/° (97 µrad/N⋅m) | 70 N (15.7 lb) | 4.948 kg (10.908 lb) |
| LC40B1550-N2-KM01 | 5.143 kg (11.338 lb) | ||
| LC40B1550-N2-KM01B | 70 N (15.7 lb) | 5.143 kg (11.338 lb) | |
| LC40B1600-KM01 | 180 N⋅m/° (97 µrad/N⋅m) | 5.068 kg (11.173 lb) | |
| LC40B1600-KM01B | 180 N⋅m/° (97 µrad/N⋅m) | 70 N (15.7 lb) | 5.068 kg (11.173 lb) |
| LC40B1600-N2-KM01 | 5.263 kg (11.603 lb) | ||
| LC40B1600-N2-KM01B | 70 N (15.7 lb) | 5.263 kg (11.603 lb) | |
| LC40B1650-KM01 | 180 N⋅m/° (97 µrad/N⋅m) | 5.188 kg (11.438 lb) | |
| LC40B1650-KM01B | 180 N⋅m/° (97 µrad/N⋅m) | 70 N (15.7 lb) | 5.188 kg (11.438 lb) |
| LC40B1650-N2-KM01 | 5.383 kg (11.867 lb) | ||
| LC40B1650-N2-KM01B | 70 N (15.7 lb) | 5.383 kg (11.867 lb) | |
| LC40B1700-KM01 | 180 N⋅m/° (97 µrad/N⋅m) | 5.309 kg (11.704 lb) | |
| LC40B1700-KM01B | 180 N⋅m/° (97 µrad/N⋅m) | 70 N (15.7 lb) | 5.309 kg (11.704 lb) |
| LC40B1700-N2-KM01 | 5.504 kg (12.134 lb) | ||
| LC40B1700-N2-KM01B | 70 N (15.7 lb) | 5.504 kg (12.134 lb) | |
| LC40B1750-KM01 | 180 N⋅m/° (97 µrad/N⋅m) | 5.429 kg (11.969 lb) | |
| LC40B1750-KM01B | 180 N⋅m/° (97 µrad/N⋅m) | 70 N (15.7 lb) | 5.429 kg (11.969 lb) |
| LC40B1750-N2-KM01 | 5.624 kg (12.399 lb) | ||
| LC40B1750-N2-KM01B | 70 N (15.7 lb) | 5.624 kg (12.399 lb) | |
| LC40B1800-KM01 | 180 N⋅m/° (97 µrad/N⋅m) | 5.549 kg (12.233 lb) | |
| LC40B1800-KM01B | 180 N⋅m/° (97 µrad/N⋅m) | 70 N (15.7 lb) | 5.549 kg (12.233 lb) |
| LC40B1800-N2-KM01 | 5.744 kg (12.663 lb) | ||
| LC40B1800-N2-KM01B | 70 N (15.7 lb) | 5.744 kg (12.663 lb) | |
| LC40B1850-KM01 | 180 N⋅m/° (97 µrad/N⋅m) | 5.669 kg (12.498 lb) | |
| LC40B1850-KM01B | 180 N⋅m/° (97 µrad/N⋅m) | 70 N (15.7 lb) | 5.669 kg (12.498 lb) |
| LC40B1850-N2-KM01 | 5.864 kg (12.928 lb) | ||
| LC40B1850-N2-KM01B | 70 N (15.7 lb) | 5.864 kg (12.928 lb) | |
| LC40B1900-KM01 | 180 N⋅m/° (97 µrad/N⋅m) | 5.789 kg (12.763 lb) | |
| LC40B1900-KM01B | 180 N⋅m/° (97 µrad/N⋅m) | 70 N (15.7 lb) | 5.789 kg (12.763 lb) |
| LC40B1900-N2-KM01 | 5.984 kg (13.192 lb) | ||
| LC40B1900-N2-KM01B | 70 N (15.7 lb) | 5.984 kg (13.192 lb) | |
| LC40B1950-KM01 | 180 N⋅m/° (97 µrad/N⋅m) | 5.91 kg (13.029 lb) | |
| LC40B1950-KM01B | 180 N⋅m/° (97 µrad/N⋅m) | 70 N (15.7 lb) | 5.91 kg (13.029 lb) |
| LC40B1950-N2-KM01 | 6.105 kg (13.459 lb) | ||
| LC40B1950-N2-KM01B | 70 N (15.7 lb) | 6.105 kg (13.459 lb) | |
| LC40B2000-KM01 | 180 N⋅m/° (97 µrad/N⋅m) | 6.03 kg (13.294 lb) | |
| LC40B2000-KM01B | 180 N⋅m/° (97 µrad/N⋅m) | 70 N (15.7 lb) | 6.03 kg (13.294 lb) |
| LC40B2000-N2-KM01 | 6.225 kg (13.724 lb) | ||
| LC40B2000-N2-KM01B | 70 N (15.7 lb) | 6.225 kg (13.724 lb) | |
| LC40B2050-KM01 | 180 N⋅m/° (97 µrad/N⋅m) | 6.15 kg (13.558 lb) | |
| LC40B2050-KM01B | 180 N⋅m/° (97 µrad/N⋅m) | 70 N (15.7 lb) | 6.15 kg (13.558 lb) |
| LC40B2050-N2-KM01 | 6.345 kg (13.988 lb) | ||
| LC40B2050-N2-KM01B | 70 N (15.7 lb) | 6.345 kg (13.988 lb) | |
| LC40B2100-KM01 | 180 N⋅m/° (97 µrad/N⋅m) | 6.271 kg (13.825 lb) | |
| LC40B2100-KM01B | 180 N⋅m/° (97 µrad/N⋅m) | 70 N (15.7 lb) | 6.271 kg (13.825 lb) |
| LC40B2100-N2-KM01 | 6.466 kg (14.255 lb) | ||
| LC40B2100-N2-KM01B | 70 N (15.7 lb) | 6.466 kg (14.255 lb) | |
| LC40B2150-KM01 | 180 N⋅m/° (97 µrad/N⋅m) | 6.391 kg (14.090 lb) | |
| LC40B2150-KM01B | 180 N⋅m/° (97 µrad/N⋅m) | 70 N (15.7 lb) | 6.391 kg (14.090 lb) |
| LC40B2150-N2-KM01 | 6.586 kg (14.520 lb) | ||
| LC40B2150-N2-KM01B | 70 N (15.7 lb) | 6.586 kg (14.520 lb) | |
| LC40B2200-KM01 | 180 N⋅m/° (97 µrad/N⋅m) | 6.511 kg (14.354 lb) | |
| LC40B2200-KM01B | 180 N⋅m/° (97 µrad/N⋅m) | 70 N (15.7 lb) | 6.511 kg (14.354 lb) |
| LC40B2200-N2-KM01 | 6.706 kg (14.784 lb) | ||
| LC40B2200-N2-KM01B | 70 N (15.7 lb) | 6.706 kg (14.784 lb) | |
| LC40B2250-KM01 | 180 N⋅m/° (97 µrad/N⋅m) | 6.631 kg (14.619 lb) | |
| LC40B2250-KM01B | 180 N⋅m/° (97 µrad/N⋅m) | 70 N (15.7 lb) | 6.631 kg (14.619 lb) |
| LC40B2250-N2-KM01 | 6.826 kg (15.049 lb) | ||
| LC40B2250-N2-KM01B | 70 N (15.7 lb) | 6.826 kg (15.049 lb) | |
| LC40B2300-KM01 | 180 N⋅m/° (97 µrad/N⋅m) | 6.752 kg (14.886 lb) | |
| LC40B2300-KM01B | 180 N⋅m/° (97 µrad/N⋅m) | 70 N (15.7 lb) | 6.752 kg (14.886 lb) |
| LC40B2300-N2-KM01 | 6.947 kg (15.315 lb) | ||
| LC40B2300-N2-KM01B | 70 N (15.7 lb) | 6.947 kg (15.315 lb) | |
| LC40B2350-KM01 | 180 N⋅m/° (97 µrad/N⋅m) | 6.872 kg (15.150 lb) | |
| LC40B2350-KM01B | 180 N⋅m/° (97 µrad/N⋅m) | 70 N (15.7 lb) | 6.872 kg (15.150 lb) |
| LC40B2350-N2-KM01 | 7.067 kg (15.580 lb) | ||
| LC40B2350-N2-KM01B | 70 N (15.7 lb) | 7.067 kg (15.580 lb) | |
| LC40B2400-KM01 | 180 N⋅m/° (97 µrad/N⋅m) | 6.992 kg (15.415 lb) | |
| LC40B2400-KM01B | 180 N⋅m/° (97 µrad/N⋅m) | 70 N (15.7 lb) | 6.992 kg (15.415 lb) |
| LC40B2400-N2-KM01 | 7.187 kg (15.845 lb) | ||
| LC40B2400-N2-KM01B | 70 N (15.7 lb) | 7.187 kg (15.845 lb) | |
| LC40B2450-KM01 | 180 N⋅m/° (97 µrad/N⋅m) | 7.112 kg (15.679 lb) | |
| LC40B2450-KM01B | 180 N⋅m/° (97 µrad/N⋅m) | 70 N (15.7 lb) | 7.112 kg (15.679 lb) |
| LC40B2450-N2-KM01 | 7.307 kg (16.109 lb) | ||
| LC40B2450-N2-KM01B | 70 N (15.7 lb) | 7.307 kg (16.109 lb) | |
| LC40B2500-KM01 | 180 N⋅m/° (97 µrad/N⋅m) | 7.233 kg (15.946 lb) | |
| LC40B2500-KM01B | 180 N⋅m/° (97 µrad/N⋅m) | 70 N (15.7 lb) | 7.233 kg (15.946 lb) |
| LC40B2500-N2-KM01 | 7.428 kg (16.376 lb) | ||
| LC40B2500-N2-KM01B | 70 N (15.7 lb) | 7.428 kg (16.376 lb) | |
| LC40B2550-KM01 | 180 N⋅m/° (97 µrad/N⋅m) | 7.353 kg (16.211 lb) | |
| LC40B2550-KM01B | 180 N⋅m/° (97 µrad/N⋅m) | 70 N (15.7 lb) | 7.353 kg (16.211 lb) |
| LC40B2550-N2-KM01 | 7.548 kg (16.640 lb) | ||
| LC40B2550-N2-KM01B | 70 N (15.7 lb) | 7.548 kg (16.640 lb) | |
| LC40B2600-KM01 | 180 N⋅m/° (97 µrad/N⋅m) | 7.473 kg (16.475 lb) | |
| LC40B2600-KM01B | 180 N⋅m/° (97 µrad/N⋅m) | 70 N (15.7 lb) | 7.473 kg (16.475 lb) |
| LC40B2600-N2-KM01 | 7.668 kg (16.905 lb) | ||
| LC40B2600-N2-KM01B | 70 N (15.7 lb) | 7.668 kg (16.905 lb) | |
| LC40B2650-KM01 | 180 N⋅m/° (97 µrad/N⋅m) | 7.593 kg (16.740 lb) | |
| LC40B2650-KM01B | 180 N⋅m/° (97 µrad/N⋅m) | 70 N (15.7 lb) | 7.593 kg (16.740 lb) |
| LC40B2650-N2-KM01 | 7.788 kg (17.170 lb) | ||
| LC40B2650-N2-KM01B | 70 N (15.7 lb) | 7.788 kg (17.170 lb) | |
| LC40B2700-KM01 | 180 N⋅m/° (97 µrad/N⋅m) | 7.713 kg (17.004 lb) | |
| LC40B2700-KM01B | 180 N⋅m/° (97 µrad/N⋅m) | 70 N (15.7 lb) | 7.713 kg (17.004 lb) |
| LC40B2700-N2-KM01 | 7.908 kg (17.434 lb) | ||
| LC40B2700-N2-KM01B | 70 N (15.7 lb) | 7.908 kg (17.434 lb) | |
| LC40B2750-KM01 | 180 N⋅m/° (97 µrad/N⋅m) | 7.834 kg (17.271 lb) | |
| LC40B2750-KM01B | 180 N⋅m/° (97 µrad/N⋅m) | 70 N (15.7 lb) | 7.834 kg (17.271 lb) |
| LC40B2750-N2-KM01 | 8.029 kg (17.701 lb) | ||
| LC40B2750-N2-KM01B | 70 N (15.7 lb) | 8.029 kg (17.701 lb) | |
| LC40B2800-KM01 | 180 N⋅m/° (97 µrad/N⋅m) | 7.954 kg (17.536 lb) | |
| LC40B2800-KM01B | 180 N⋅m/° (97 µrad/N⋅m) | 70 N (15.7 lb) | 7.954 kg (17.536 lb) |
| LC40B2800-N2-KM01 | 8.149 kg (17.965 lb) | ||
| LC40B2800-N2-KM01B | 70 N (15.7 lb) | 8.149 kg (17.965 lb) | |
| LC40B2850-KM01 | 180 N⋅m/° (97 µrad/N⋅m) | 8.074 kg (17.800 lb) | |
| LC40B2850-KM01B | 180 N⋅m/° (97 µrad/N⋅m) | 70 N (15.7 lb) | 8.074 kg (17.800 lb) |
| LC40B2850-N2-KM01 | 8.269 kg (18.230 lb) | ||
| LC40B2850-N2-KM01B | 70 N (15.7 lb) | 8.269 kg (18.230 lb) | |
| LC40B2900-KM01 | 180 N⋅m/° (97 µrad/N⋅m) | 8.195 kg (18.067 lb) | |
| LC40B2900-KM01B | 180 N⋅m/° (97 µrad/N⋅m) | 70 N (15.7 lb) | 8.195 kg (18.067 lb) |
| LC40B2900-N2-KM01 | 8.39 kg (18.497 lb) | ||
| LC40B2900-N2-KM01B | 70 N (15.7 lb) | 8.39 kg (18.497 lb) | |
| LC40B2950-KM01 | 180 N⋅m/° (97 µrad/N⋅m) | 8.315 kg (18.331 lb) | |
| LC40B2950-KM01B | 180 N⋅m/° (97 µrad/N⋅m) | 70 N (15.7 lb) | 8.315 kg (18.331 lb) |
| LC40B2950-N2-KM01 | 8.51 kg (18.761 lb) | ||
| LC40B2950-N2-KM01B | 70 N (15.7 lb) | 8.51 kg (18.761 lb) | |
| LC40B3000-KM01 | 180 N⋅m/° (97 µrad/N⋅m) | 8.435 kg (18.596 lb) | |
| LC40B3000-KM01B | 180 N⋅m/° (97 µrad/N⋅m) | 70 N (15.7 lb) | 8.435 kg (18.596 lb) |
| LC40B3000-N2-KM01 | 8.63 kg (19.026 lb) | ||
| LC40B3000-N2-KM01B | 70 N (15.7 lb) | 8.63 kg (19.026 lb) | |
| LC40B3050-KM01 | 180 N⋅m/° (97 µrad/N⋅m) | 8.555 kg (18.861 lb) | |
| LC40B3050-KM01B | 180 N⋅m/° (97 µrad/N⋅m) | 70 N (15.7 lb) | 8.555 kg (18.861 lb) |
| LC40B3050-N2-KM01 | 8.75 kg (19.290 lb) | ||
| LC40B3050-N2-KM01B | 70 N (15.7 lb) | 8.75 kg (19.290 lb) | |
| LC40B3100-KM01 | 180 N⋅m/° (97 µrad/N⋅m) | 8.676 kg (19.127 lb) | |
| LC40B3100-KM01B | 180 N⋅m/° (97 µrad/N⋅m) | 70 N (15.7 lb) | 8.676 kg (19.127 lb) |
| LC40B3100-N2-KM01 | 8.871 kg (19.557 lb) | ||
| LC40B3100-N2-KM01B | 70 N (15.7 lb) | 8.871 kg (19.557 lb) | |
| LC40B3150-KM01 | 180 N⋅m/° (97 µrad/N⋅m) | 8.796 kg (19.392 lb) | |
| LC40B3150-KM01B | 180 N⋅m/° (97 µrad/N⋅m) | 70 N (15.7 lb) | 8.796 kg (19.392 lb) |
| LC40B3150-N2-KM01 | 8.991 kg (19.822 lb) | ||
| LC40B3150-N2-KM01B | 70 N (15.7 lb) | 8.991 kg (19.822 lb) | |
| LC40B3200-KM01 | 180 N⋅m/° (97 µrad/N⋅m) | 8.916 kg (19.656 lb) | |
| LC40B3200-KM01B | 180 N⋅m/° (97 µrad/N⋅m) | 70 N (15.7 lb) | 8.916 kg (19.656 lb) |
| LC40B3200-N2-KM01 | 9.111 kg (20.086 lb) | ||
| LC40B3200-N2-KM01B | 70 N (15.7 lb) | 9.111 kg (20.086 lb) | |
| LC40B3250-KM01 | 180 N⋅m/° (97 µrad/N⋅m) | 9.036 kg (19.921 lb) | |
| LC40B3250-KM01B | 180 N⋅m/° (97 µrad/N⋅m) | 70 N (15.7 lb) | 9.036 kg (19.921 lb) |
| LC40B3250-N2-KM01 | 9.231 kg (20.351 lb) | ||
| LC40B3250-N2-KM01B | 70 N (15.7 lb) | 9.231 kg (20.351 lb) | |
| LC40B3300-KM01 | 180 N⋅m/° (97 µrad/N⋅m) | 9.157 kg (20.188 lb) | |
| LC40B3300-KM01B | 180 N⋅m/° (97 µrad/N⋅m) | 70 N (15.7 lb) | 9.157 kg (20.188 lb) |
| LC40B3300-N2-KM01 | 9.352 kg (20.618 lb) | ||
| LC40B3300-N2-KM01B | 70 N (15.7 lb) | 9.352 kg (20.618 lb) | |
| LC40B3350-KM01 | 180 N⋅m/° (97 µrad/N⋅m) | 9.277 kg (20.452 lb) | |
| LC40B3350-KM01B | 180 N⋅m/° (97 µrad/N⋅m) | 70 N (15.7 lb) | 9.277 kg (20.452 lb) |
| LC40B3350-N2-KM01 | 9.472 kg (20.882 lb) | ||
| LC40B3350-N2-KM01B | 70 N (15.7 lb) | 9.472 kg (20.882 lb) | |
| LC40B3400-KM01 | 180 N⋅m/° (97 µrad/N⋅m) | 9.397 kg (20.717 lb) | |
| LC40B3400-KM01B | 180 N⋅m/° (97 µrad/N⋅m) | 70 N (15.7 lb) | 9.397 kg (20.717 lb) |
| LC40B3400-N2-KM01 | 9.592 kg (21.147 lb) | ||
| LC40B3400-N2-KM01B | 70 N (15.7 lb) | 9.592 kg (21.147 lb) | |
| LC40B3450-KM01 | 180 N⋅m/° (97 µrad/N⋅m) | 9.517 kg (20.981 lb) | |
| LC40B3450-KM01B | 180 N⋅m/° (97 µrad/N⋅m) | 70 N (15.7 lb) | 9.517 kg (20.981 lb) |
| LC40B3450-N2-KM01 | 9.712 kg (21.411 lb) | ||
| LC40B3450-N2-KM01B | 70 N (15.7 lb) | 9.712 kg (21.411 lb) | |
| LC40B3500-KM01 | 180 N⋅m/° (97 µrad/N⋅m) | 9.638 kg (21.248 lb) | |
| LC40B3500-KM01B | 180 N⋅m/° (97 µrad/N⋅m) | 70 N (15.7 lb) | 9.638 kg (21.248 lb) |
| LC40B3500-N2-KM01 | 9.833 kg (21.678 lb) | ||
| LC40B3500-N2-KM01B | 70 N (15.7 lb) | 9.833 kg (21.678 lb) |
Charts and Notes



Product Change Notices
Click here to view the current product change notices and subscribe to future change notifications.
This product uses the FreeRTOS kernel. FreeRTOS is © 2025 Amazon.com, Inc. or its affiliates and is governed by the following license:
All rights reserved.
Permission is hereby granted, free of charge, to any person obtaining a copy of this software and associated documentation files (the "Software"), to deal in the Software without restriction, including without limitation the rights to use, copy, modify, merge, publish, distribute, sublicense, and/or sell copies of the Software, and to permit persons to whom the Software is furnished to do so, subject to the following conditions:
The above copyright notice and this permission notice shall be included in all copies or substantial portions of the Software.
THE SOFTWARE IS PROVIDED "AS IS", WITHOUT WARRANTY OF ANY KIND, EXPRESS OR IMPLIED, INCLUDING BUT NOT LIMITED TO THE WARRANTIES OF MERCHANTABILITY, FITNESS FOR A PARTICULAR PURPOSE AND NONINFRINGEMENT.
IN NO EVENT SHALL THE AUTHORS OR COPYRIGHT HOLDERS BE LIABLE FOR ANY CLAIM, DAMAGES OR OTHER LIABILITY, WHETHER IN AN ACTION OF CONTRACT, TORT OR OTHERWISE, ARISING FROM, OUT OF OR IN CONNECTION WITH THE SOFTWARE OR THE USE OR OTHER DEALINGS IN THE SOFTWARE.
This product uses the LZ4 compression library. LZ4 is © 2011–2016 Yann Collet and is governed by the following license:
All rights reserved.
Redistribution and use in source and binary forms, with or without modification, are permitted provided that the following conditions are met:
- Redistributions of source code must retain the above copyright notice, this list of conditions and the following disclaimer.
- Redistributions in binary form must reproduce the above copyright notice, this list of conditions and the following disclaimer in the documentation and/or other materials provided with the distribution.
THIS SOFTWARE IS PROVIDED BY THE COPYRIGHT HOLDERS AND CONTRIBUTORS "AS IS" AND ANY EXPRESS OR IMPLIED WARRANTIES, INCLUDING, BUT NOT LIMITED TO, THE IMPLIED WARRANTIES OF MERCHANTABILITY AND FITNESS FOR A PARTICULAR PURPOSE ARE DISCLAIMED. IN NO EVENT SHALL THE COPYRIGHT HOLDER OR CONTRIBUTORS BE LIABLE FOR ANY DIRECT, INDIRECT, INCIDENTAL, SPECIAL, EXEMPLARY, OR CONSEQUENTIAL DAMAGES (INCLUDING, BUT NOT LIMITED TO, PROCUREMENT OF SUBSTITUTE GOODS OR SERVICES; LOSS OF USE, DATA, OR PROFITS; OR BUSINESS INTERRUPTION) HOWEVER CAUSED AND ON ANY THEORY OF LIABILITY, WHETHER IN CONTRACT, STRICT LIABILITY, OR TORT (INCLUDING NEGLIGENCE OR OTHERWISE) ARISING IN ANY WAY OUT OF THE USE OF THIS SOFTWARE, EVEN IF ADVISED OF THE POSSIBILITY OF SUCH DAMAGE.

